| Estado de Disponibilidad: | |
|---|---|
M10
Goshen
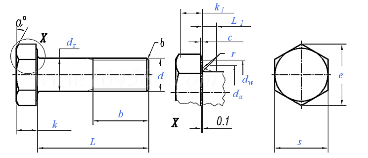
| Hilo | M1.6 | M2 | M2.5 | M3 | (M3.5) | M4 | M5 | M6 | M8 | M10 | M12 | (M14) | M16 | (M18) | M20 | ||||
| d | |||||||||||||||||||
| P | Paso | 0.35 | 0.4 | 0.45 | 0.5 | 0.6 | 0.7 | 0.8 | 1 | 1.25 | 1.5 | 1.75 | 2 | 2 | 2.5 | 2.5 | |||
| b | L≤25 | 9 | 10 | 11 | 12 | 13 | 14 | 16 | 18 | 22 | 26 | 30 | 34 | 38 | 42 | 46 | |||
| 125 < L≤200 | 15 | 16 | 17 | 18 | 19 | 20 | 22 | 24 | 28 | 32 | 36 | 40 | 44 | 48 | 52 | ||||
| L > 200 | 28 | 29 | 30 | 31 | 32 | 33 | 35 | 37 | 41 | 45 | 49 | 53 | 57 | 61 | 65 | ||||
| c | Máximo | Máximo | 0.25 | 0.25 | 0.25 | 0.4 | 0.4 | 0.4 | 0.5 | 0.5 | 0.6 | 0.6 | 0.6 | 0.6 | 0.8 | 0.8 | 0.8 | ||
| Mínimo | Mínimo | 0.1 | 0.1 | 0.1 | 0.15 | 0.15 | 0.15 | 0.15 | 0.15 | 0.15 | 0.15 | 0.15 | 0.15 | 0.2 | 0.2 | 0.2 | |||
| cañón | Máximo | 2 | 2.6 | 3.1 | 3.6 | 4.1 | 4.7 | 5.7 | 6.8 | 9.2 | 11.2 | 13.7 | 15.7 | 17.7 | 20.2 | 22.4 | |||
| ds | Max = 公称 | 1.6 | 2 | 2.5 | 3 | 3.5 | 4 | 5 | 6 | 8 | 10 | 12 | 14 | 16 | 18 | 20 | |||
| A | Mínimo | 1.46 | 1.86 | 2.36 | 2.86 | 3.32 | 3.82 | 4.82 | 5.82 | 7.78 | 9.78 | 11.73 | 13.73 | 15.73 | 17.73 | 19.67 | |||
| B | Mínimo | 1.35 | 1.75 | 2.25 | 2.75 | 3.2 | 3.7 | 4.7 | 5.7 | 7.64 | 9.64 | 11.57 | 13.57 | 15.57 | 17.57 | 19.48 | |||
| DW | A | Mínimo | 2.27 | 3.07 | 4.07 | 4.57 | 5.07 | 5.88 | 6.88 | 8.88 | 11.63 | 14.63 | 16.63 | 19.64 | 22.49 | 25.34 | 28.19 | ||
| B | Mínimo | 2.3 | 2.95 | 3.95 | 4.45 | 4.95 | 5.74 | 6.74 | 8.74 | 11.47 | 14.47 | 16.47 | 19.15 | 22 | 24.85 | 27.7 | |||
| e | A | Mínimo | 3.41 | 4.32 | 5.45 | 6.01 | 6.58 | 7.66 | 8.79 | 11.05 | 14.38 | 17.77 | 20.03 | 23.36 | 26.75 | 30.14 | 33.53 | ||
| B | Mínimo | 3.28 | 4.18 | 5.31 | 5.88 | 6.44 | 7.5 | 8.63 | 10.89 | 14.2 | 17.59 | 19.85 | 22.78 | 26.17 | 29.56 | 32.95 | |||
| L1 | Máximo | 0.6 | 0.8 | 1 | 1 | 1 | 1.2 | 1.2 | 1.4 | 2 | 2 | 3 | 3 | 3 | 3 | 4 | |||
| k | 公称 | 1.1 | 1.4 | 1.7 | 2 | 2.4 | 2.8 | 3.5 | 4 | 5.3 | 6.4 | 7.5 | 8.8 | 10 | 11.5 | 12.5 | |||
| A | Máximo | 1.225 | 1.525 | 1.825 | 2.125 | 2.525 | 2.925 | 3.65 | 4.15 | 5.45 | 6.58 | 7.68 | 8.98 | 10.18 | 11.715 | 12.715 | |||
| Mínimo | 0.975 | 1.275 | 1.575 | 1.875 | 2.275 | 2.675 | 3.35 | 3.85 | 5.15 | 6.22 | 7.32 | 8.62 | 9.82 | 11.285 | 12.285 | ||||
| B | Máximo | 1.3 | 1.6 | 1.9 | 2.2 | 2.6 | 3 | 3.74 | 4.24 | 5.54 | 6.69 | 7.79 | 9.09 | 10.29 | 11.85 | 12.85 | |||
| Mínimo | 0.9 | 1.2 | 1.5 | 1.8 | 2.2 | 2.6 | 3.26 | 3.76 | 5.06 | 6.11 | 7.21 | 8.51 | 9.71 | 11.15 | 12.15 | ||||
| K1 | A | Mínimo | 0.68 | 0.89 | 1.1 | 1.31 | 1.59 | 1.87 | 2.35 | 2.7 | 3.61 | 4.35 | 5.12 | 6.03 | 6.87 | 7.9 | 8.6 | ||
| B | Mínimo | 0.63 | 0.84 | 1.05 | 1.26 | 1.54 | 1.82 | 2.28 | 2.63 | 3.54 | 4.28 | 5.05 | 5.96 | 6.8 | 7.81 | 8.51 | |||
| r | Mínimo | 0.1 | 0.1 | 0.1 | 0.1 | 0.1 | 0.2 | 0.2 | 0.25 | 0.4 | 0.4 | 0.6 | 0.6 | 0.6 | 0.6 | 0.8 | |||
| s | Max = 公称 | 3.2 | 4 | 5 | 5.5 | 6 | 7 | 8 | 10 | 13 | 16 | 18 | 21 | 24 | 27 | 30 | |||
| A | Mínimo | 3.02 | 3.82 | 4.82 | 5.32 | 5.82 | 6.78 | 7.78 | 9.78 | 12.73 | 15.73 | 17.73 | 20.67 | 23.67 | 26.67 | 29.67 | |||
| B | Mínimo | 2.9 | 3.7 | 4.7 | 5.2 | 5.7 | 6.64 | 7.64 | 9.64 | 12.57 | 15.57 | 17.57 | 20.16 | 23.16 | 26.16 | 29.16 | |||
| Propiedades mecánicas | ||||||||||
| Artículos de prueba | Estándares de prueba | Requisito | Resultados de la prueba | |||||||
| Resistencia a la tracción (N/mm²) | ISO 3506-1: 2009 | 700 minutos | 753 | |||||||
| Composición química | ||||||||||
| Elemento | C | Si | Minnesota | P | S | NI | Cr | Mes | Cu | N |
| Porcentaje | 0.029 | 0.35 | 1.08 | 0.031 | 0.001 | 10.26 | 16.99 | 2.05 | 0.32 | / |
| Hilo | M1.6 | M2 | M2.5 | M3 | (M3.5) | M4 | M5 | M6 | M8 | M10 | M12 | (M14) | M16 | (M18) | M20 | ||||
| d | |||||||||||||||||||
| P | Paso | 0.35 | 0.4 | 0.45 | 0.5 | 0.6 | 0.7 | 0.8 | 1 | 1.25 | 1.5 | 1.75 | 2 | 2 | 2.5 | 2.5 | |||
| b | L≤25 | 9 | 10 | 11 | 12 | 13 | 14 | 16 | 18 | 22 | 26 | 30 | 34 | 38 | 42 | 46 | |||
| 125 < L≤200 | 15 | 16 | 17 | 18 | 19 | 20 | 22 | 24 | 28 | 32 | 36 | 40 | 44 | 48 | 52 | ||||
| L > 200 | 28 | 29 | 30 | 31 | 32 | 33 | 35 | 37 | 41 | 45 | 49 | 53 | 57 | 61 | 65 | ||||
| c | Máximo | Máximo | 0.25 | 0.25 | 0.25 | 0.4 | 0.4 | 0.4 | 0.5 | 0.5 | 0.6 | 0.6 | 0.6 | 0.6 | 0.8 | 0.8 | 0.8 | ||
| Mínimo | Mínimo | 0.1 | 0.1 | 0.1 | 0.15 | 0.15 | 0.15 | 0.15 | 0.15 | 0.15 | 0.15 | 0.15 | 0.15 | 0.2 | 0.2 | 0.2 | |||
| cañón | Máximo | 2 | 2.6 | 3.1 | 3.6 | 4.1 | 4.7 | 5.7 | 6.8 | 9.2 | 11.2 | 13.7 | 15.7 | 17.7 | 20.2 | 22.4 | |||
| ds | Max = 公称 | 1.6 | 2 | 2.5 | 3 | 3.5 | 4 | 5 | 6 | 8 | 10 | 12 | 14 | 16 | 18 | 20 | |||
| A | Mínimo | 1.46 | 1.86 | 2.36 | 2.86 | 3.32 | 3.82 | 4.82 | 5.82 | 7.78 | 9.78 | 11.73 | 13.73 | 15.73 | 17.73 | 19.67 | |||
| B | Mínimo | 1.35 | 1.75 | 2.25 | 2.75 | 3.2 | 3.7 | 4.7 | 5.7 | 7.64 | 9.64 | 11.57 | 13.57 | 15.57 | 17.57 | 19.48 | |||
| DW | A | Mínimo | 2.27 | 3.07 | 4.07 | 4.57 | 5.07 | 5.88 | 6.88 | 8.88 | 11.63 | 14.63 | 16.63 | 19.64 | 22.49 | 25.34 | 28.19 | ||
| B | Mínimo | 2.3 | 2.95 | 3.95 | 4.45 | 4.95 | 5.74 | 6.74 | 8.74 | 11.47 | 14.47 | 16.47 | 19.15 | 22 | 24.85 | 27.7 | |||
| e | A | Mínimo | 3.41 | 4.32 | 5.45 | 6.01 | 6.58 | 7.66 | 8.79 | 11.05 | 14.38 | 17.77 | 20.03 | 23.36 | 26.75 | 30.14 | 33.53 | ||
| B | Mínimo | 3.28 | 4.18 | 5.31 | 5.88 | 6.44 | 7.5 | 8.63 | 10.89 | 14.2 | 17.59 | 19.85 | 22.78 | 26.17 | 29.56 | 32.95 | |||
| L1 | Máximo | 0.6 | 0.8 | 1 | 1 | 1 | 1.2 | 1.2 | 1.4 | 2 | 2 | 3 | 3 | 3 | 3 | 4 | |||
| k | 公称 | 1.1 | 1.4 | 1.7 | 2 | 2.4 | 2.8 | 3.5 | 4 | 5.3 | 6.4 | 7.5 | 8.8 | 10 | 11.5 | 12.5 | |||
| A | Máximo | 1.225 | 1.525 | 1.825 | 2.125 | 2.525 | 2.925 | 3.65 | 4.15 | 5.45 | 6.58 | 7.68 | 8.98 | 10.18 | 11.715 | 12.715 | |||
| Mínimo | 0.975 | 1.275 | 1.575 | 1.875 | 2.275 | 2.675 | 3.35 | 3.85 | 5.15 | 6.22 | 7.32 | 8.62 | 9.82 | 11.285 | 12.285 | ||||
| B | Máximo | 1.3 | 1.6 | 1.9 | 2.2 | 2.6 | 3 | 3.74 | 4.24 | 5.54 | 6.69 | 7.79 | 9.09 | 10.29 | 11.85 | 12.85 | |||
| Mínimo | 0.9 | 1.2 | 1.5 | 1.8 | 2.2 | 2.6 | 3.26 | 3.76 | 5.06 | 6.11 | 7.21 | 8.51 | 9.71 | 11.15 | 12.15 | ||||
| K1 | A | Mínimo | 0.68 | 0.89 | 1.1 | 1.31 | 1.59 | 1.87 | 2.35 | 2.7 | 3.61 | 4.35 | 5.12 | 6.03 | 6.87 | 7.9 | 8.6 | ||
| B | Mínimo | 0.63 | 0.84 | 1.05 | 1.26 | 1.54 | 1.82 | 2.28 | 2.63 | 3.54 | 4.28 | 5.05 | 5.96 | 6.8 | 7.81 | 8.51 | |||
| r | Mínimo | 0.1 | 0.1 | 0.1 | 0.1 | 0.1 | 0.2 | 0.2 | 0.25 | 0.4 | 0.4 | 0.6 | 0.6 | 0.6 | 0.6 | 0.8 | |||
| s | Max = 公称 | 3.2 | 4 | 5 | 5.5 | 6 | 7 | 8 | 10 | 13 | 16 | 18 | 21 | 24 | 27 | 30 | |||
| A | Mínimo | 3.02 | 3.82 | 4.82 | 5.32 | 5.82 | 6.78 | 7.78 | 9.78 | 12.73 | 15.73 | 17.73 | 20.67 | 23.67 | 26.67 | 29.67 | |||
| B | Mínimo | 2.9 | 3.7 | 4.7 | 5.2 | 5.7 | 6.64 | 7.64 | 9.64 | 12.57 | 15.57 | 17.57 | 20.16 | 23.16 | 26.16 | 29.16 | |||
| Propiedades mecánicas | ||||||||||
| Artículos de prueba | Estándares de prueba | Requisito | Resultados de la prueba | |||||||
| Resistencia a la tracción (N/mm²) | ISO 3506-1: 2009 | 700 minutos | 753 | |||||||
| Composición química | ||||||||||
| Elemento | C | Si | Minnesota | P | S | NI | Cr | Mes | Cu | N |
| Porcentaje | 0.029 | 0.35 | 1.08 | 0.031 | 0.001 | 10.26 | 16.99 | 2.05 | 0.32 | / |