| Estado de Disponibilidad: | |
|---|---|
| Cantidad: | |
YJT /T 14581
GS
GSMS002
Tornillos de máquina de seguridad de acero inoxidable
Los tornillos de la máquina de seguridad de Goshen están hechos de 316 acero inoxidable, que tiene un color brillante, menos corrosión y mucho tamaño. también está completo.
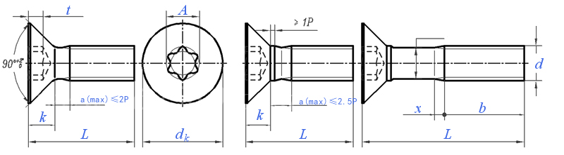
| Tamaño de hilo | M2 | M2.5 | M3 | (M3.5) | M4 | M5 | M6 | M8 | M10 | ||||
| d | |||||||||||||
| - | Sin hombro | Sin hombro | Sin hombro | Sin hombro | Sin hombro | Hombro con eje | Hombro con eje | Hombro con eje | Hombro con eje | ||||
| P | Tornillo | 0.4 | 0.45 | 0.5 | 0.6 | 0.7 | 0.8 | 1 | 1.25 | 1.5 | |||
| b | Mínimo | 25 | 25 | 25 | 38 | 38 | 38 | 38 | 38 | 38 | |||
| dk | Teoría | Máximo | 4.4 | 5.5 | 6.3 | 8.2 | 9.4 | 10.4 | 12.6 | 17.3 | 20 | ||
| Actual | Máx = nominal | 3.8 | 4.7 | 5.5 | 7.3 | 8.4 | 9.3 | 11.3 | 15.8 | 18.3 | |||
| Mínimo | 3.5 | 4.4 | 5.2 | 6.94 | 8.04 | 8.94 | 10.87 | 15.37 | 17.78 | ||||
| k | Máx = nominal | 1.2 | 1.5 | 1.65 | 2.35 | 2.7 | 2.7 | 3.3 | 4.65 | 5 | |||
| x | Máximo | 1 | 1.1 | 1.25 | 1.5 | 1.75 | 2 | 2.5 | 3.2 | 3.8 | |||
| 槽号 | 6 | 8 | 10 | 15 | 20 | 25 | 30 | 45 | 50 | ||||
| A | Referirse a | 1.75 | 2.4 | 2.8 | 3.35 | 3.95 | 4.5 | 5.6 | 7.93 | 8.95 | |||
| t | Máximo | 0.64 | 0.79 | 0.83 | 1.32 | 1.53 | 1.51 | 1.78 | 2.54 | 2.8 | |||
| Mínimo | 0.51 | 0.66 | 0.7 | 1.16 | 1.14 | 1.12 | 1.39 | 2.15 | 2.41 | ||||
| Carga de tensión (n) | Mínimo | Clase de rendimiento 4.8 | - | - | 1690 | 2280 | 2950 | 4770 | 6750 | 12300 | 19500 | ||
| Rendimiento Clase 8.8 | - | - | 3220 | 4340 | 5620 | 9080 | 12900 | 23400 | 37100 | ||||
| Clase de rendimiento-50 | 830 | 1350 | 2010 | 2710 | 3510 | 5680 | 8000 | 14600 | 23200 | ||||
| Rendimiento Clase 70 | 1160 | 1900 | 2810 | 3790 | 4910 | 7950 | 11200 | 20500 | 32400 | ||||
Material
| 316 composición química (%) | ||||||||||
| Calificación | C≤ | Mn≤ | Si≤ | S≤ | P≤ | Cr | NI | Cu | mes | N |
| 0.017 | 0.98 | 0.25 | 0.0016 | 0.0414 | 16.23 | 10.08 | 0.32 | 2.06 | 0.037 | |
| 316 Propiedad mecánica | |||
| σb≥ | σ0.2≥ | Δ5 (%) ≥ | Dureza (HB) (KGF/MM2)] |
| 520 (MPA) | 205 (MPA) | 40% | ≤187 hrb≤90 hv ≤200 |
Empaque de exportación estándar o de acuerdo con el requisito del cliente
1. ¿Cuáles son sus principales productos?
A: sujetadores, perno, tuerca, tornillos, lavadora, varilla roscada, anclajes, autoconfianza
Tornillos, tornillos autónomos, placa de acero inoxidable, etc.
2. ¿Cuál es su tiempo de entrega?
R: Depende de si tenemos acciones o no, si tenemos bienes de stock, podemos
entrega dentro de los 2 días posteriores a recibir el pago. Y normalmente nuestra producción
está en 20-30 días para un contenedor (20-26 toneladas) productos.
3. ¿Cuál es su plazo de pago?
R: Principalmente utilizamos el 30% de pago anticipado por T/T, 70% antes del envío
Para una pequeña orden de cantidad, tenemos una cuenta de PayPal, también la Unión Occidental,
Moneygram está bien.
4. ¿Cómo es tu calidad? ¿Y si no satisfacemos su calidad?
R: Producimos su pedido estrictamente por su solicitud. Si la calidad no fue
aceptable, te reembolsaremos.
Tornillos de máquina de seguridad de acero inoxidable
Los tornillos de la máquina de seguridad de Goshen están hechos de 316 acero inoxidable, que tiene un color brillante, menos corrosión y mucho tamaño. también está completo.
| Tamaño de hilo | M2 | M2.5 | M3 | (M3.5) | M4 | M5 | M6 | M8 | M10 | ||||
| d | |||||||||||||
| - | Sin hombro | Sin hombro | Sin hombro | Sin hombro | Sin hombro | Hombro con eje | Hombro con eje | Hombro con eje | Hombro con eje | ||||
| P | Tornillo | 0.4 | 0.45 | 0.5 | 0.6 | 0.7 | 0.8 | 1 | 1.25 | 1.5 | |||
| b | Mínimo | 25 | 25 | 25 | 38 | 38 | 38 | 38 | 38 | 38 | |||
| dk | Teoría | Máximo | 4.4 | 5.5 | 6.3 | 8.2 | 9.4 | 10.4 | 12.6 | 17.3 | 20 | ||
| Actual | Máx = nominal | 3.8 | 4.7 | 5.5 | 7.3 | 8.4 | 9.3 | 11.3 | 15.8 | 18.3 | |||
| Mínimo | 3.5 | 4.4 | 5.2 | 6.94 | 8.04 | 8.94 | 10.87 | 15.37 | 17.78 | ||||
| k | Máx = nominal | 1.2 | 1.5 | 1.65 | 2.35 | 2.7 | 2.7 | 3.3 | 4.65 | 5 | |||
| x | Máximo | 1 | 1.1 | 1.25 | 1.5 | 1.75 | 2 | 2.5 | 3.2 | 3.8 | |||
| 槽号 | 6 | 8 | 10 | 15 | 20 | 25 | 30 | 45 | 50 | ||||
| A | Referirse a | 1.75 | 2.4 | 2.8 | 3.35 | 3.95 | 4.5 | 5.6 | 7.93 | 8.95 | |||
| t | Máximo | 0.64 | 0.79 | 0.83 | 1.32 | 1.53 | 1.51 | 1.78 | 2.54 | 2.8 | |||
| Mínimo | 0.51 | 0.66 | 0.7 | 1.16 | 1.14 | 1.12 | 1.39 | 2.15 | 2.41 | ||||
| Carga de tensión (n) | Mínimo | Clase de rendimiento 4.8 | - | - | 1690 | 2280 | 2950 | 4770 | 6750 | 12300 | 19500 | ||
| Rendimiento Clase 8.8 | - | - | 3220 | 4340 | 5620 | 9080 | 12900 | 23400 | 37100 | ||||
| Clase de rendimiento-50 | 830 | 1350 | 2010 | 2710 | 3510 | 5680 | 8000 | 14600 | 23200 | ||||
| Rendimiento Clase 70 | 1160 | 1900 | 2810 | 3790 | 4910 | 7950 | 11200 | 20500 | 32400 | ||||
Material
| 316 composición química (%) | ||||||||||
| Calificación | C≤ | Mn≤ | Si≤ | S≤ | P≤ | Cr | NI | Cu | mes | N |
| 0.017 | 0.98 | 0.25 | 0.0016 | 0.0414 | 16.23 | 10.08 | 0.32 | 2.06 | 0.037 | |
| 316 Propiedad mecánica | |||
| σb≥ | σ0.2≥ | Δ5 (%) ≥ | Dureza (HB) (KGF/MM2)] |
| 520 (MPA) | 205 (MPA) | 40% | ≤187 hrb≤90 hv ≤200 |
Empaque de exportación estándar o de acuerdo con el requisito del cliente
1. ¿Cuáles son sus principales productos?
A: sujetadores, perno, tuerca, tornillos, lavadora, varilla roscada, anclajes, autoconfianza
Tornillos, tornillos autónomos, placa de acero inoxidable, etc.
2. ¿Cuál es su tiempo de entrega?
R: Depende de si tenemos acciones o no, si tenemos bienes de stock, podemos
entrega dentro de los 2 días posteriores a recibir el pago. Y normalmente nuestra producción
está en 20-30 días para un contenedor (20-26 toneladas) productos.
3. ¿Cuál es su plazo de pago?
R: Principalmente utilizamos el 30% de pago anticipado por T/T, 70% antes del envío
Para una pequeña orden de cantidad, tenemos una cuenta de PayPal, también la Unión Occidental,
Moneygram está bien.
4. ¿Cómo es tu calidad? ¿Y si no satisfacemos su calidad?
R: Producimos su pedido estrictamente por su solicitud. Si la calidad no fue
aceptable, te reembolsaremos.