Vistas:0 Autor:Editor del sitio Hora de publicación: 2018-06-22 Origen:Sitio
Qué soneye nuts usado para
Las tuercas del ojo (tuercas del ojo) son sujetadores con una cabeza en bucle. Están diseñados para recibir un gancho o cuerda. Las tuercas oculares están clasificadas para diferentes tipos de aplicaciones y tienen forma ovalada o redonda. Las tuercas oculares con capacidad de carga están diseñadas para la elevación vertical, pero no se recomienda su uso con elevadores angulares. Las tuercas oculares que no tienen capacidad de carga están diseñadas para su uso con amarres y cables de guía. No están clasificados para aplicaciones de elevación.
Caracteristicas
Los tamaños de rosca para tuercas oculares se miden en unidades inglesas como pulgadas (pulgadas) o unidades métricas como milímetros (mm). Mediciones para pulgadaseye nuts Incluye: 1/4, 5/16, 3/8, 7/17, 1/2, 5/8, 3/4, 7/8, 1, 1 1/8, 1 1/4, 1 3/8 , 1 1/2, 1 3/4, 2, 2 1/4, 2 1/2 y 2 3/4 pulgadas. Los sujetadores designados como tuercas para los ojos # 16, # 18, # 20, # 24 también están comúnmente disponibles. Las designaciones para tuercas métricas para los ojos incluyen: M6, M8, M10, M12, M14, M16, M16, M22, M22, M24, M26, M27, M28, M30, M32, M33, M35, M36, M38, M40, M42 , M48, M56 y M54. Como regla, los números que siguen a la letra "M" indican el número de milímetros de diámetro. Por ejemplo, una tuerca de ojo M6 tiene un diámetro de 6 mm.
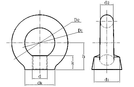
Eye nut tamaño

| re | PAG | dk | D2 | D1 | k | d2 |
| M8 | 1.25 | 20 | 36 | 20 | 8.5 | 8 |
| M10 | 1.5 | 25 | 45 | 25 | 10 | 10 |
| M12 | 1.75 | 30 | 54 | 30 | 11 | 12 |
| M16 | 2 | 35 | 63 | 35 | 13 | 14 |
| M20 | 2 / 2.5 | 40 | 72 | 40 | 16 | 16 |
| M24 | 2/3 | 50 | 90 | 50 | 20 | 20 |
| M30 | 2 / 3.5 | 65 | 108 | 60 | 25 | 24 |
| M36 | 3/4 | 75 | 126 | 70 | 30 | 28 |
| M42 | 3 / 4.5 | 85 | 144 | 80 | 35 | 32 |
| M48 | 3/5 | 100 | 166 | 90 | 40 | 38 |
| M56 | 4 / 5.5 | 110 | 184 | 100 | 45 | 42 |
| M64 | 4/6 | 120 | 206 | 110 | 50 | 48 |
| M72 | 4/6 | 150 | 260 | 140 | 60 | 60 |
| M80 | 4/6 | 170 | 296 | 160 | 70 | 68 |
| M100 | 4/6 | 190 | 330 | 180 | 80 | 75 |